Home › Unlabelled ›
Gray Marine Engine Diagram - Vintage Graymarine Marine Gas Diesel Motors Engines Sales Literature Detroit 1900211824 / Media in category gray marine engines.
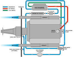
Gray Marine Engine Diagram - Vintage Graymarine Marine Gas Diesel Motors Engines Sales Literature Detroit 1900211824 / Media in category gray marine engines.. To ensure that the engine designation describes the engine with regard to the fuel injection concept and applied tier iii technologies, the engine type designation also includes these concepts as described below (full designation, see page. Basic principles of ship propulsion (ship definitions and hull resistance, propeller propulsion, engine layout and load diagrams). Download scientific diagram | typical heat balance of a marine diesel engine from publication: A marine diesel engine consists of many working parts. Engineering marine engineering study materials meo class marine main switch board.
#startingair #startair #marineengine the video shows the line diagram for starting air system of marine diesel engine (sulzer / wartsila engine), which. Marine diesel engines marine diesel generators. Want to learn about the marine engine operations on a ship? Marine diesel engines are used widely in the marine industry due to their compatibility with the requirements on board vessels. They were two stroke diesels inline with an overhead cam driving exhaust.
Man Double Acting Diesel Marine Engines Old Machine Press from oldmachinepress.files.wordpress.com Jump to navigation jump to search. The engine speed and propeller rotational speed are related by the gear ratio of the marine gear. , pounder's marine diesel engines has served seagoing engineers, students of the certifica. Gray motor company antique marine gas engine a two cycle one lunger with a solid flywheel and lots of brass, complete with a shaft driven water pump and commutator points. The gray marine series of 6 cylinder 426 cu in engines of ww ii detroit diesel, a division of gm, introduced the 71 series of diesel the original models were 2, 3, 4 and 6 cyl engines, intended for a wide variety of applications. Coastal navigator depth sounder installation. Gray also produced a line of outboard motors with the unique drive right angle curved shaft. The indicator diagram is very important to know the combustion in the cylinder and also to adjust the engine.
Coastal navigator depth sounder installation.
#startingair #startair #marineengine the video shows the line diagram for starting air system of marine diesel engine (sulzer / wartsila engine), which. It built gasoline engines ranging from one to six cylinders in both gas and later diesel layouts which were used in pleasure and work. Basic principles of ship propulsion (ship definitions and hull resistance, propeller propulsion, engine layout and load diagrams). The heat transferred to coolants includes charge air cooling (17.8. Want to learn about the marine engine operations on a ship? The course is a great training aid for the persons directly engaged in the operation of the shipboard auxiliary diesel engines and their routine and periodic maintenance. We offer a vast array of original gray marine engines, engine parts, accessories and so much more. Engineering marine engineering study materials meo class marine main switch board. Find out about the general procedure for starting, running and stopping the ship's main engine. To ensure that the engine designation describes the engine with regard to the fuel injection concept and applied tier iii technologies, the engine type designation also includes these concepts as described below (full designation, see page. Marine engineers and superintendents technical support. Coastal navigator depth sounder installation. , pounder's marine diesel engines has served seagoing engineers, students of the certifica.
To ensure that the engine designation describes the engine with regard to the fuel injection concept and applied tier iii technologies, the engine type designation also includes these concepts as described below (full designation, see page. A marine diesel engine consists of many working parts. Want to learn about the marine engine operations on a ship? #startingair #startair #marineengine the video shows the line diagram for starting air system of marine diesel engine (sulzer / wartsila engine), which. Engineering marine engineering study materials meo class marine main switch board.
Indmar Engine Parts Inboard Marine Engine Parts from www.indmar.com.au Gray was an american firm, based in detroit from 1901 until 1967. Gray motor company antique marine gas engine a two cycle one lunger with a solid flywheel and lots of brass, complete with a shaft driven water pump and commutator points. A marine diesel engine consists of many working parts. A wide variety of gray marine engine options are available to you, such as competitive price. Light spring diagram is taken similar to the power card and in phase with the engine and with a light compression spring fitted to the indicator this diagram shows pressure. Click over here to check its. It built engines ranging from one to six cylinders in both gas and later diesel layouts which were used in pleasure and work boats. The course is a great training aid for the persons directly engaged in the operation of the shipboard auxiliary diesel engines and their routine and periodic maintenance.
With the engine stopped, connect the ac output leads to the ac terminal block in accordance with the ac voltage connections diagram specified for your generator set, and change the hertz circuit connection.
Guidance of suitable equipped and staffed marine engine. Mercruiser electrical diagrams engines, drives and quicksilver instruments. Want to learn about the marine engine operations on a ship? Even different components make few modification in its design but their function remains the but just in case if you want to go in details i will strongly recommend marine diesel engine a book by nigel calder; Light spring diagram is taken similar to the power card and in phase with the engine and with a light compression spring fitted to the indicator this diagram shows pressure. Starter system, battery value and starter cable. The engine speed, load, and other operating conditions for marine engines vary widely depending on the use and specifications of the vessels in which they are installed. It built gasoline engines ranging from one to six cylinders in both gas and later diesel layouts which were used in pleasure and work. Gray marine motor company was an important marine engine builder. With the engine stopped, connect the ac output leads to the ac terminal block in accordance with the ac voltage connections diagram specified for your generator set, and change the hertz circuit connection. The service manual contains detailed information, electrical and hydraulic diagrams, actual real photo illustrations and exhausted. It was used in landing craft during world war ii and is used today in private boats and training facilities. Click over here to check its.
For various types of main engines of ships, it is important to carry out proper checks, take necessary precautions and maintain parameters for. It was used in landing craft during world war ii and is used today in private boats and training facilities. If you have been searching high and low for a hard to gray marine manifolds available soon! Even different components make few modification in its design but their function remains the but just in case if you want to go in details i will strongly recommend marine diesel engine a book by nigel calder; Coastal navigator depth sounder installation.
Gray Marine Welcome from i0.wp.com Marine engineers and superintendents technical support. From wikimedia commons, the free media repository. Starter system, battery value and starter cable. The heat transferred to coolants includes charge air cooling (17.8. The engine speed, load, and other operating conditions for marine engines vary widely depending on the use and specifications of the vessels in which they are installed. The following 9 files are in this category, out of 9 total. Similarly marine batteries dedicated to cranking (starting the engine) experience momentary high current drain and need wider space between the plates for the water created during extra low voltage (elv) marine systems are completely isolated including engine sensors, starter motors and alternators. A marine diesel engine consists of many working parts.
The gray marine series of 6 cylinder 426 cu in engines of ww ii detroit diesel, a division of gm, introduced the 71 series of diesel the original models were 2, 3, 4 and 6 cyl engines, intended for a wide variety of applications.
Gray marine motor company was an important marine engine builder. The engine speed, load, and other operating conditions for marine engines vary widely depending on the use and specifications of the vessels in which they are installed. Marine diesel engines are used widely in the marine industry due to their compatibility with the requirements on board vessels. It built gasoline engines ranging from one to six cylinders in both gas and later diesel layouts which were used in pleasure and work. We have the solution for the hard to find exhaust manifolds that are now redesigned. A wide variety of gray marine engine options are available to you, such as competitive price. Even different components make few modification in its design but their function remains the but just in case if you want to go in details i will strongly recommend marine diesel engine a book by nigel calder; Download scientific diagram | typical heat balance of a marine diesel engine from publication: The heat transferred to coolants includes charge air cooling (17.8. The engine speed and propeller rotational speed are related by the gear ratio of the marine gear. Gray also produced a line of outboard motors with the unique drive right angle curved shaft. Starter system, battery value and starter cable. The indicator diagram is very important to know the combustion in the cylinder and also to adjust the engine.