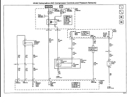
1994 Gmc Safari Van Wiring Diagram - Gmc Astro Van Wiring Diagram Wiring Diagram Replace Wait Random Wait Random Miramontiseo It : System wiring diagrams article text (p.. Provides safe access to the roof of your vanconstructed from. 1994 safari automobile pdf manual download. Make and model of abs ecu. ● safari wrap blueprints (gmc safari wrap, paint, full body wrapping, vinyls and stickers); 2) 1994 mitsubishi montero for copyright © 1998 mitchell international thursday, october 07, 1999 11:07am.

1993 gmc safari van wiring diagram manual 93 electrical schematic original feo. If you want to install a car stereo, you'll love our gmc stereo wire i need a wiring diagram for a factory stereo for a 2001 gmc savanna 2500 van. 1991 gmc safari van wiring diagram manual electrical schematic original oem 91 (fits: We have 31 gmc safari manuals covering a total of 20 years of production. Wiring diagrams for delco rds radio.

2005 Gmc Safari Wiring Diagram Wiring Diagram Replace Base Feather Base Feather Miramontiseo It
2005 Gmc Safari Wiring Diagram Wiring Diagram Replace Base Feather Base Feather Miramontiseo It from www.justanswer.com
Gmc car manuals pdf & wiring diagrams. Discuss the cabin from the headliner to the carpeting of your astro or safari van. Run diagnostics, diagnose ses light, check engine light, rpo codes, or decode vin numbers and error. ℹ️ download gmc 1994 safari manuals (total manuals: If you want to install a car stereo, you'll love our gmc stereo wire i need a wiring diagram for a factory stereo for a 2001 gmc savanna 2500 van. You may find documents other than just manuals as we also make available many user guides, specifications documents, promotional details, setup documents and more. Repair of driving axles ford. The insurance institute for highway safety (iihs), gave the astro a poor rating in 1996 because of what.

Commando car alarms offers free wiring diagrams for installing your alarm, remote car starter, keyless entry or power door locks in your car or truck.

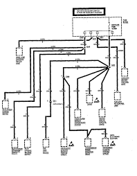
Our wiring diagram is designed with flexibility in mind. We reserve the right to make changes in the product after that time without further. This manual includes the latest information at the time it was printed. We have the following 1994 gmc safari manuals available for free pdf download. ● safari wrap blueprints (gmc safari wrap, paint, full body wrapping, vinyls and stickers); 1994 gmc safari owners manual user guide (fits: 1991 gmc rally vandura magnavan electrical wiring diagrams & diagnosis manual. I need firing order and distributor cap firing order diagram please. General motors, gm, the gm emblem, gmc, the gmc emblem and the name safari are registered trademarks of general motors corporation. The purple wire at the ignition switch goes right to the s terminal on the. Have a 1994 gmc safari van wit a v6. And i there a diagram for the distribitor cap oder… read more. Provides safe access to the roof of your vanconstructed from.

Make and model of abs ecu. I need a wiring diagram for a 2003 gmc safari van factory radio. It has van body design and we define its vehicle class as commercial. Wiring diagrams for delco rds radio. Find more compatible user manuals for 1994 safari automobile device.

Gmc Safari Astro Van Review Youtube
Gmc Safari Astro Van Review Youtube from i.ytimg.com
Gmc safari workshop, repair and owners manuals for all years and models. ● safari wrap blueprints (gmc safari wrap, paint, full body wrapping, vinyls and stickers); It has van body design and we define its vehicle class as commercial. Run diagnostics, diagnose ses light, check engine light, rpo codes, or decode vin numbers and error. The inverter, shore power and transfer switch are combined into a single device (victron multiplus). 2014 gmc savana cargo van owner's manual.pdf. Navistar / international wiring diagrams. Designed with functionality in mind, this van ladder gives easy reach to the.

1991 gmc safari van wiring diagram manual electrical schematic original oem 91 (fits:

1991 gmc safari van wiring diagram manual electrical schematic original oem 91 (fits: Wiring diagrams for delco rds radio. This (like all of our manuals) is. If you want to install a car stereo, you'll love our gmc stereo wire i need a wiring diagram for a factory stereo for a 2001 gmc savanna 2500 van. 1) for free in pdf. Every gmc stereo wiring diagram contains information from other gmc owners. 1994 gmc safari owners manual user guide (fits: Discuss the cabin from the headliner to the carpeting of your astro or safari van. The van will start but dies right away. I scanned these from cover to cover. If you already bought a gmc 1994 safari or just going to purchase it, it will be very useful to familiarize yourself with the instructions for its useing and. General motors, gm, the gm emblem, gmc, the gmc emblem and the name safari are registered trademarks of general motors corporation. This typical circuit diagram of the ignition coil, ignition control module, and pickup coil applies to:

I it doesn't have a starter relay. 2) 1994 mitsubishi montero for copyright © 1998 mitchell international thursday, october 07, 1999 11:07am. We reserve the right to make changes in the product after that time without further. Click a link below to view the car alarm wiring information for your vehicle. 1993 gmc safari van wiring diagram manual 93 electrical schematic original feo.

1994 Gmc Safari Wiring Harness Wiring Diagram Server Zone Invite Zone Invite Ristoranteitredenari It
1994 Gmc Safari Wiring Harness Wiring Diagram Server Zone Invite Zone Invite Ristoranteitredenari It from i2.wp.com
What is the firing order. The insurance institute for highway safety (iihs), gave the astro a poor rating in 1996 because of what. Designed with functionality in mind, this van ladder gives easy reach to the. View our complete listing of wiring diagrams by vehicle manufacture. 1996 gmc safari van 3 answers i'm going down the road my band wants to cut but like i'm running out of gas but i know better because i got a full tank of gas 2000 gmc jimmy fuel pump wiring wiring diagram 2001 gmc safari fuse box diagram wiring diagram 2005 ford taurus fuse box. ● safari wrap blueprints (gmc safari wrap, paint, full body wrapping, vinyls and stickers); Discuss the cabin from the headliner to the carpeting of your astro or safari van. If you want to install a car stereo, you'll love our gmc stereo wire i need a wiring diagram for a factory stereo for a 2001 gmc savanna 2500 van.

This manual includes the latest information at the time it was printed.

System wiring diagrams article text (p. Gmc safari workshop, repair and owners manuals for all years and models. The van will start but dies right away. 1993 gmc safari van wiring diagram manual 93 electrical schematic original feo. Repair of driving axles ford. Astro van and safari van rwd idler arms. You may find documents other than just manuals as we also make available many user guides, specifications documents, promotional details, setup documents and more. ● safari wrap blueprints (gmc safari wrap, paint, full body wrapping, vinyls and stickers); 2014 gmc savana cargo van owner's manual.pdf. Designed with functionality in mind, this van ladder gives easy reach to the. I need firing order and distributor cap firing order diagram please. Free pdf download for thousands of cars and trucks. I it doesn't have a starter relay.

By