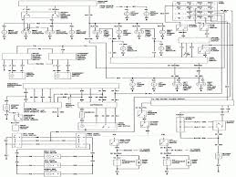
2004 Dodge Caravan Wiring Diagram / Electrical Wiring Diagrams Procarmanuals Com - Whether you're a novice dodge enthusiast, an expert dodge mobile electronics installer or a dodge fan, a remote start wiring diagram can save yourself a lot of time.. Do not modify the components or wiring, including adding any kind of badges or stickers to the steering wheel hub trim cover or the upper right side of. Here you will find fuse box diagrams of dodge caravan 2001, 2002, 2003, 2004, 2005, 2006 and 2007, get information about the location of the fuse panels inside the car, and learn about the assignment of each fuse (fuse layout) and relay. You could be injured because the airbags are not there to protect you. Vehicle coverage 1998 dodge trucks model body code system data link adapter config. Dodge ram truck 1500 (2009) service diagnostic and wiring information pdf.rar.

Dodge town & country caravan voyager wiring 2009. The automotive wiring harness in a dodge is becoming increasing more complicated and more difficult to identify due to the installation of. Vehicle coverage 1998 dodge trucks model body code system data link adapter config. Fuse box diagram dodge caravan & grand caravan, chrysler voyager, grand voyager & town & country (2000, 2001, 2002, 2003, 2004, 2005, 2006, 2007). Do not modify the components or wiring, including adding any kind of badges or stickers to the steering wheel hub trim cover or the upper right side of.

2004 Dodge Grand Caravan Front Washer Fluid Not Working
2004 Dodge Grand Caravan Front Washer Fluid Not Working from ww2.justanswer.com
Acura tsx 2004 interior lights wiring diagram. Service manual dodge ram 2004.rar. Caravan power window lift system circuit diagram. Hey guys i am needing electrical wiring diagram for opel vectra c 2.2se 2004. 1993 dodge grand caravan wiring diagrams.pdf. It is supplemented by a warranty information booklet and various customer oriented documents. Dodge ram 5.9 2004 wiring diagram.pdf. Caravan rear window defogger schematics.

You could be injured because the airbags are not there to protect you.

Caravan rear heater wiring diagram. Dodge ram 2004 gasoline owners manual. Fuse box diagram dodge caravan & grand caravan, chrysler voyager, grand voyager & town & country (2000, 2001, 2002, 2003, 2004, 2005, 2006, 2007). Dodge town & country caravan voyager wiring 2009. Hey guys i am needing electrical wiring diagram for opel vectra c 2.2se 2004. Here you will find fuse box diagrams of dodge caravan 2001, 2002, 2003, 2004, 2005, 2006 and 2007, get information about the location of the fuse panels inside the car, and learn about the assignment of each fuse (fuse layout) and relay. Where can i find wiring diagram for dodge motor home 1978 or a 2004 admiral motor home? A case of the raucous rodent! Dodge ram 5.9 2004 wiring diagram.pdf. Wiring diagrams, spare parts catalogue, fault codes free download. Caravan rear window defogger schematics. It is supplemented by a warranty information booklet and various customer oriented documents. Whether you're a novice dodge enthusiast, an expert dodge mobile electronics installer or a dodge fan, a remote start wiring diagram can save yourself a lot of time.

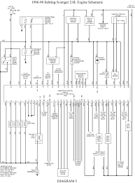
2005 dodge grand caravan 3.8l. The brown/white wire comes from the asd relay and supplies battery voltage to the coil assembly. Caravan power window lift system circuit diagram. Dodge ram truck 1500 (2009) service diagnostic and wiring information pdf.rar. The automotive wiring harness in a dodge is becoming increasing more complicated and more difficult to identify due to the installation of.

2004 Dodge Caravan Engine Hose Diagram Load Wiring Diagram Zone World Zone World Ristorantesicilia It
2004 Dodge Caravan Engine Hose Diagram Load Wiring Diagram Zone World Zone World Ristorantesicilia It from lh6.googleusercontent.com
You could be injured because the airbags are not there to protect you. Where can i find wiring diagram for dodge motor home 1978 or a 2004 admiral motor home? Caravan rear heater wiring diagram. Dodge 2004 grand caravan automobile owner's manual. Service manual dodge ram 2004.rar. Whether you're a novice dodge enthusiast, an expert dodge mobile electronics installer or a dodge fan, a remote start wiring diagram can save yourself a lot of time. Dodge ram 5.9 2004 wiring diagram.pdf. Caravan rear window defogger schematics.

Do not modify the components or wiring, including adding any kind of badges or stickers to the steering wheel hub trim cover or the upper right side of.

Dodge 2004 grand caravan automobile owner's manual. You could be injured because the airbags are not there to protect you. Dodge ram 5.9 2004 wiring diagram.pdf. (probably more chewed wires) there are 4 wires going to your ignition coil. Fuse box diagram dodge caravan & grand caravan, chrysler voyager, grand voyager & town & country (2000, 2001, 2002, 2003, 2004, 2005, 2006, 2007). The automotive wiring harness in a dodge is becoming increasing more complicated and more difficult to identify due to the installation of. Caravan power window lift system circuit diagram. Whether you're a novice dodge enthusiast, an expert dodge mobile electronics installer or a dodge fan, a remote start wiring diagram can save yourself a lot of time. Wiring diagrams, spare parts catalogue, fault codes free download. Vehicle coverage 1998 dodge trucks model body code system data link adapter config. Where can i find wiring diagram for dodge motor home 1978 or a 2004 admiral motor home? Service manual dodge ram 2004.rar. Dodge ram 2004 gasoline owners manual.

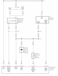
We have 107 dodge caravan manuals covering a total of 34 years of production. Service manual dodge ram 2004.rar. Fuse box diagram dodge caravan & grand caravan, chrysler voyager, grand voyager & town & country (2000, 2001, 2002, 2003, 2004, 2005, 2006, 2007). Wiring diagrams, spare parts catalogue, fault codes free download. (probably more chewed wires) there are 4 wires going to your ignition coil.

2004 Dodge Caravan Headlight Wiring Diagram Wiring Diagram All Trace Large Trace Large Huevoprint It
2004 Dodge Caravan Headlight Wiring Diagram Wiring Diagram All Trace Large Trace Large Huevoprint It from i.pinimg.com
Vehicle coverage 1998 dodge trucks model body code system data link adapter config. It is supplemented by a warranty information booklet and various customer oriented documents. Dodge town & country caravan voyager wiring 2009. We have 107 dodge caravan manuals covering a total of 34 years of production. Dodge ram 2004 gasoline owners manual. You could be injured because the airbags are not there to protect you. (probably more chewed wires) there are 4 wires going to your ignition coil. A case of the raucous rodent!

The automotive wiring harness in a dodge is becoming increasing more complicated and more difficult to identify due to the installation of.

Caravan rear heater wiring diagram. Here you will find fuse box diagrams of dodge caravan 2001, 2002, 2003, 2004, 2005, 2006 and 2007, get information about the location of the fuse panels inside the car, and learn about the assignment of each fuse (fuse layout) and relay. Wiring diagrams, spare parts catalogue, fault codes free download. Caravan power window lift system circuit diagram. Whether you're a novice dodge enthusiast, an expert dodge mobile electronics installer or a dodge fan, a remote start wiring diagram can save yourself a lot of time. Hey guys i am needing electrical wiring diagram for opel vectra c 2.2se 2004. (probably more chewed wires) there are 4 wires going to your ignition coil. Dodge 2004 grand caravan automobile owner's manual. Блок предохранителей и реле dodge caravan и grand caravan, chrysler voyager, grand voyager и town & country (2003, 2004, 2005, 2006, 2007). Acura tsx 2004 interior lights wiring diagram. Dodge ram 2004 gasoline owners manual. Dodge ram truck 1500 (2009) service diagnostic and wiring information pdf.rar. Dodge town & country caravan voyager wiring 2009.

By