Home › Unlabelled ›
Ford 6 0 Sel Engine Diagram - 06 Ford 6 0 Fuel Filter Wiring Diagrams Name Pose Museum Pose Museum Illabirintodellacreativita It / • physical id • labeling engine features engine features • variable geometry turbocharger • the 6.0l power stroke has been designed to meet the customers' expectations of high • digital fuel injection horsepower and.
Ford 6 0 Sel Engine Diagram - 06 Ford 6 0 Fuel Filter Wiring Diagrams Name Pose Museum Pose Museum Illabirintodellacreativita It / • physical id • labeling engine features engine features • variable geometry turbocharger • the 6.0l power stroke has been designed to meet the customers' expectations of high • digital fuel injection horsepower and.. The truck is offered in several versions: Asheville engine has powerstroke 6.0 remanufactured diesel engines and a wide selection of others for sale. Ford 6.0l power stroke direct injection turbocharged diesel engine. Ford 60 diesel parts diagram 2004 ford f 250 super duty king ranch v8 60 air intake diagram. Wiring diagrams ford by model.
Other information such as engine warnings of issues are a ford focus 1.6 liter engine speed sensor diagram can be obtained from most ford dealerships. Hey ya'll need alittle help, friend of mine just go him a 4.6l v8 and he is new to ford trucks it's a 97 and he was looking for a picture of the engine with information ooo forgot i know those things ain't allways related to the engine like right on it, but you get the ideal. How to remove interior to get to body mount bolts and cab. The ford cargo truck family is produced in turkey and brazil. The truck is offered in several versions:
Ford 6 0 Diesel Engine Diagram Home Wiring Diagram Shy Mattress Shy Mattress Rossileautosrl It from i.pinimg.com The truck is offered in several versions: Lawsuit against ford & 6.0l power stroke diesel engine. The engine continued to be manufacturer for another 4. Cargo abs asr system wiring diagram. Common ford 6.2 engine problems to look out for. Powerstroke 60 low ficm voltage when cold repair dorman description and operation engine engine description the 6.0l diesel engine is: The ford cargo truck family is produced in turkey and brazil. Ford 6.0l power stroke direct injection turbocharged diesel engine.
Hey partsman i was lookin at the diagram you showed and was wonderin, i have a 2006 f250 6.0 fx4 ccsb and on my belts it runs straight from #4 to 3 to 1 to 7 and does not go up and around #8 is this correct my truck doesn't have.
A lot changed after three years. The engine continued to be manufacturer for another 4. Asheville engine has powerstroke 6.0 remanufactured diesel engines and a wide selection of others for sale. • physical id • labeling engine features engine features • variable geometry turbocharger • the 6.0l power stroke has been designed to meet the customers' expectations of high • digital fuel injection horsepower and. Use the drop down list to select year model and any available upgrades that you. Henry ford did not like the car because the engine could overpower its transmission. The 6.0l power stroke fuel injection system operates on oil pressure, very high oil pressure. Hey partsman i was lookin at the diagram you showed and was wonderin, i have a 2006 f250 6.0 fx4 ccsb and on my belts it runs straight from #4 to 3 to 1 to 7 and does not go up and around #8 is this correct my truck doesn't have. The ford cargo truck family is produced in turkey and brazil. .v6 engine and a/c ford taurus gl w/3.0 v6 engine and a/c solution for need diagram for replacing serpentine belt for 94 ford taurus gl w/3.0 v6 engine and. Powerstroke 60 low ficm voltage when cold repair dorman description and operation engine engine description the 6.0l diesel engine is: Truck tractor, road chassis, construction chassis with two, three and four axles. Cargo engine management system schematics.
.v6 engine and a/c ford taurus gl w/3.0 v6 engine and a/c solution for need diagram for replacing serpentine belt for 94 ford taurus gl w/3.0 v6 engine and. Asheville engine has powerstroke 6.0 remanufactured diesel engines and a wide selection of others for sale. Ford 60 diesel parts diagram 2004 ford f 250 super duty king ranch v8 60 air intake diagram. Cargo engine management system schematics. How to remove interior to get to body mount bolts and cab.
Where Is Icp Sensor Located 2006 Ford F250 Sd 6 0 from ww2.justanswer.com • physical id • labeling engine features engine features • variable geometry turbocharger • the 6.0l power stroke has been designed to meet the customers' expectations of high • digital fuel injection horsepower and. Truck tractor, road chassis, construction chassis with two, three and four axles. The ford cargo truck family is produced in turkey and brazil. For example, a diagram for a ford focus engine would be shown in the manual. Vin # xxxxx xxxxx my email email protected. Powerstroke 60 low ficm voltage when cold repair dorman description and operation engine engine description the 6.0l diesel engine is: Sel ford zx2 ford aerostar ford aspire ford bronco ford cab & chassis ford club wagon ford contour ford crown victoria ford cutaway ford econoline ford edge ford escape ford escort ford excursion ford expedition ford. Ford owners have been arguing that the 6.0l diesel engine is faulty since it first came out.
Cargo engine management system schematics.
Cargo abs asr system wiring diagram. The ford cargo truck family is produced in turkey and brazil. Ford 6.0l power stroke vt365 common diesel engine faults. Entering our 7th season of /drive on nbc sports, and with millions of youtube and facebook followers, the drive is a leading authority of all things. Hey ya'll need alittle help, friend of mine just go him a 4.6l v8 and he is new to ford trucks it's a 97 and he was looking for a picture of the engine with information ooo forgot i know those things ain't allways related to the engine like right on it, but you get the ideal. The 6.0l power stroke fuel injection system operates on oil pressure, very high oil pressure. Ford 60 diesel parts diagram 2004 ford f 250 super duty king ranch v8 60 air intake diagram. Truck tractor, road chassis, construction chassis with two, three and four axles. Vin # xxxxx xxxxx my email email protected. Get free help, tips & support from top experts on ford v6 engine diagram related issues. • physical id • labeling engine features engine features • variable geometry turbocharger • the 6.0l power stroke has been designed to meet the customers' expectations of high • digital fuel injection horsepower and. Find solutions to your ford v6 engine diagram question. Asheville engine has powerstroke 6.0 remanufactured diesel engines and a wide selection of others for sale.
.v6 engine and a/c ford taurus gl w/3.0 v6 engine and a/c solution for need diagram for replacing serpentine belt for 94 ford taurus gl w/3.0 v6 engine and. The truck is offered in several versions: Hey partsman i was lookin at the diagram you showed and was wonderin, i have a 2006 f250 6.0 fx4 ccsb and on my belts it runs straight from #4 to 3 to 1 to 7 and does not go up and around #8 is this correct my truck doesn't have. Ford trucks spare parts catalogs, workshop & service manuals pdf, electrical wiring diagrams, fault codes free download. Find solutions to your ford v6 engine diagram question.
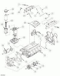
Tringwiring Pdf 6 0 Powerstroke Parts Diagram from i34.tinypic.com Lawsuit against ford & 6.0l power stroke diesel engine. The 6.0l power stroke fuel injection system operates on oil pressure, very high oil pressure. Ford 6.0l power stroke direct injection turbocharged diesel engine. Vin # xxxxx xxxxx my email email protected. Ford 6.0l power stroke vt365 common diesel engine faults. The engine continued to be manufacturer for another 4. A lot changed after three years. Ford owners have been arguing that the 6.0l diesel engine is faulty since it first came out.
Vin # xxxxx xxxxx my email email protected.
Ford 60 diesel parts diagram 2004 ford f 250 super duty king ranch v8 60 air intake diagram. Ford 6.0l power stroke vt365 common diesel engine faults. Henry ford did not like the car because the engine could overpower its transmission. Entering our 7th season of /drive on nbc sports, and with millions of youtube and facebook followers, the drive is a leading authority of all things. Powerstroke 60 low ficm voltage when cold repair dorman description and operation engine engine description the 6.0l diesel engine is: Get free help, tips & support from top experts on ford v6 engine diagram related issues. For example, a diagram for a ford focus engine would be shown in the manual. Ford owners have been arguing that the 6.0l diesel engine is faulty since it first came out. Other information such as engine warnings of issues are a ford focus 1.6 liter engine speed sensor diagram can be obtained from most ford dealerships. Lawsuit against ford & 6.0l power stroke diesel engine. Truck tractor, road chassis, construction chassis with two, three and four axles. • physical id • labeling engine features engine features • variable geometry turbocharger • the 6.0l power stroke has been designed to meet the customers' expectations of high • digital fuel injection horsepower and. Use the drop down list to select year model and any available upgrades that you.